| A. MLCC RADIAL & AXIAL |
| B. CERAMIC DISC |
| C. SAFETY DISC (AC CAPACITOR) |
B. Ceramic Disc
Temperature Compensating (TC) Capacitors 50 (160) ~ 6000WVDC
EIA RS 198 (Class I) |
Features: |
Specifications:
| Operating Temp. Range | -25°C to +85°C | |||||||||||||
| Capacitance | Range | 0.5 to 1000PF measured at 1MHz±10%, 1Vrms, 25°C | ||||||||||||
| Tolerance | ±0.25PF (C), ±0.5PF (D), ±5% (J), ±10% (K) | |||||||||||||
| Test Voltage | <1000VDC: 3 times of Working Voltage for 1~5 seconds | |||||||||||||
| ≥1000VDC: 2 times of Working Voltage for 1~5 seconds | ||||||||||||||
| Quality Factor (Q.F.) | NPO~N750, SL | C<30PF | Q≥400+20xC | |||||||||||
| C≥30PF | Q≥1000 | |||||||||||||
| N1000, N1500 | C<30PF | Q≥200+10xC | ||||||||||||
| C≥30PF | Q≥500 | |||||||||||||
| Insulation Resistance (I.R.) | 10000MΩ min. at working voltage for 1 minute | |||||||||||||
| Temperature Characteristic -25°C - +85°C (Fig.3) |
Cap. Change PPM/°C |
NPO ±60 |
N150 ±60 |
N220 ±60 |
N330 ±60 |
N470 ±60 |
N750 ±60 |
N1000 ±250 |
N1500 ±250 |
+350~1000 | ||||
| EIA RS 198 | C0H | P2H | R2H | S2H | T2H | U2J | V2K | W2K | S2L | |||||
| JIS C 6423 | CH | PH | RH | SH | TH | UJ | VK | WK | SL | |||||
| GB 5966-86 | C | P | R | S | T | U | Q | V | SL | |||||
| Effect of Soldering | Cap. change within: ±2.5% or ±0.25PF. To be measured after 4~24 hours (Solder Temp.: 270±5°C, Dipping duration: 3±0.5 sec.) |
|||||||||||||
| Life Test | Cap. change : within ±3% or ±3PF. Q.F. : Under 10PF, Q≥200+10C : 10PF~30PF, Q≥275+5/2C : Over 30PF, Q≥350 I.R. : >1000MΩ |
Test condition and method:
|
||||||||||||
| Solderability | It does not remain unsoldered area over ¼ of the circumference of the lead. (Solder Temp.: 235±5°C, Dipping duration: 2±0.5 sec.) |
|||||||||||||
Fig.3
TEMPERATURE CHARACTERISTICS

High Dielectric Constant (Hi-K) Capacitors 50(160)~6000WVDC
EIA RS 198 (Class II) |
Features: |
Specification:
| Operating Temp. Range | +10°C to +85°C for ZE, ZF | -25°C to +85°C for YA, YB | |||||
| Capacitance | Range | 100PF to 0.1µF measured at 1KHz±10%, 1Vrms, 25°C | |||||
| Tolerance | ±5% (J) for YA, ±10% (K) for YA, YB, ±20% (M) for YB, ZE, +80% -20% (Z) for ZE, ZF | ||||||
| Test Voltage | <1000VDC: 2.5 times of Working Voltage for 1-5 seconds | ||||||
| ≥1000VDC: 2 times of Working Voltage for 1-5 seconds | |||||||
| Dissipation Factor (D.F.) | 2.5% Max for YA, YB, ZE at 1KHz, 1Vrms, 25°C | ||||||
| 5% Max for ZF at 1KHz, 1Vrms, 25°C | |||||||
| Insulation Resistance (I.R.) | 10000MΩ min at working voltage for 1 minute | ||||||
| Temperature Characteristic -25°C ~ +85°C (Fig.4) |
Cap. change within | ±5% | ±10% | ±20/-55% | +30/-80% | ||
| EIA RS 198 | Y5E | Y5P | Z5U | Z5V | |||
| JIS C 6422 | YA | YB | ZE | ZF | |||
| GB 5968-86 | - | ZB4 | ZE4 | ZF4 | |||
| Effect of Soldering | Cap. change within: ±3.5% (YA), ±15% (ZE), ±20% (ZF) To be measured after 4-24hrs (Solder Temp.: 270±5°C, Dipping duration: 3±0.5sec) | ||||||
| Life Test | Cap. change within ±5% (YA), ±10% (YB), ±20% (ZE), ±30% (ZF) D.F.: 5% Max for YA, YB, ZE, 7.5% Max for ZF I.R. : >1000MΩ |
Test Condition and Method:
|
|||||
| Solderability | It does not remain unsoldered area over ¼ of the circumference of the lead. (Solder Temp.: 235±5°C, Dipping duration: 2±0.5sec.) |
||||||
Fig.4

Semi-Conductive (S.C.) Capacitors (Surface Layer Type)
12(16) ~ 50(100) WVDC
EIA RS 198 (Class III) |
Features: |
Specifications:
| Operating Temp. Range | -25°C to +85°C | |||||
| Capacitance | Range | 0.0027µF to 0.47µF measured at 1KHz±10%, 0.1Vrms, 25°C | ||||
| Tolerance | ±10% (K) for YB, ±20% (M) for YB, YE, +80% -20% (Z) for YE, YF | |||||
| Test Voltage | 2.5 times of Working Voltage for 1-5 seconds | |||||
| Dissipation Factor (D.F.) | 16V <7%; 25V-50V <5% at 1KHz±10%, 0.1Vrms, 25°C | |||||
| Insulation Resistance (I.R.) | 16V >100MΩ; 25V-50V >1000MΩ at working voltage for 1 minute | |||||
| Temperature Characteristic -25°C ~ +85°C (Fig.5) |
Cap. change within | ±10% | +20/-55% | +30/-80% | ||
| EIA RS 198 | Y5P | Y5U | Y5V | |||
| JIS C 6422 | YB | YE | YF | |||
| Effect of Soldering | Cap. change within: ±5% (YB), ±15% (YE), ±20% (YF) To be measured after 4-24hrs (Solder Temp.: 270±5°C, Dipping duration: 3±0.5sec) | |||||
| Life Test | Cap. change within ±10% (YB), ±20% (YE), ±30% (ZF) D.F.: 16V<10%, 25V-50V <7.5% I.R. : 16V>50MΩ, 25V-50V >500MΩ |
Test Condition and Method:
|
||||
| Solderability | It does not remain unsoldered area over ¼ of the circumference of the lead. (Solder Temp.: 235±5°C, Dipping duration: 2±0.5sec.) |
|||||
Fig.5

Range Chart (Capacitance in pF)
CLASS I / TYPE I / CC1
| W.V.DC | T.C. | ||||||
| CH NPO |
PH N150 |
RH R220 |
TH N470 |
UJ N750 |
SL +350~-100 |
Dimension Max (mm) |
|
| 50V/100V | 0.5-47 | 1-33 | 1-50 | 1-200 | 5.5 | ||
| 50-82 | 34-56 | 51-82 | 200-220 | 6.5 | |||
| 100-120 | 60-82 | 85-120 | 240-330 | 7.5 | |||
| 130-180 | 85-110 | 130-180 | 340-470 | 8.5 | |||
| 200-220 | 120-150 | 200-220 | 500-680 | 9.5 | |||
| 230-270 | 160-220 | 230-270 | 820-1000 | 10.5 | |||
| 280-330 | - | - | - | 11.5 | |||
| 340-390 | - | - | - | 12.5 | |||
| 470 | - | - | - | 14.5 | |||
CLASS II / TYPE II / CT1
| W.V.DC | T.C. | |||
| B ±10% |
E +20~-55% |
F +30~-80% |
Dimension Max (mm) |
|
| 50V/100V | 100-2200 | 1000-5600 | 1000-10000 | 5.5 |
| 2700-3300 | 6800-10000 | 10000 | 6.5 | |
| 3900-4700 | 12000 | 15000, 18000 | 7.5 | |
| 5600-6800 | 15000 | 20000, 220000 | 8.5 | |
| 8200-10000 | 18000-22000 | 30000, 330000 | 9.5 | |
| - | - | 390000, 50000 | 10.5 | |
CLASS III / TYPE III / S.C.
| W.V.DC | T.C. | |||
| YB ±10% |
YE +20~-55% |
YF +30~-80% |
Dimension Max (mm) |
|
| 16V | 3300-10000 | 3300-22000 | - | 5.5 |
| 15000-22000 | 30000-50000 | 68000-100000 | 6.5 | |
| 22000-50000 | 68000-100000 | 150000-180000 | 7.5 | |
| 68000-100000 | - | 200000-220000 | 9.5 | |
| - | 220000 | 330000-470000 | 10.5 | |
| 25V | 3300-10000 | 3300-22000 | 10000-47000 | 5.5 |
| 15000-22000 | 30000-50000 | 68000-100000 | 6.5 | |
| 22000-47000 | 68000-100000 | 150000-180000 | 7.5 | |
| - | - | 200000-220000 | 10.5 | |
| 50V | 3300-10000 | 3300-22000 | 10000-47000 | 5.5 |
| 15000-22000 | 30000-40000 | 680000 | 6.5 | |
| 22000-33000 | 47000-50000 | 100000 | 7.5 | |
| 47000 | 68000-100000 | - | 8.5 | |
| - | - | 220000 | 10.5 | |
Range Chart (Capacitance in pF)
| W.V.DC | T.C. | |||||
| CH NPO |
SL +350~-1000 |
B ±10% |
E +20~-55% |
F +30~-80% |
Dimension Max (mm) |
|
| 500V | 0.5-27 | 15-68 | 100-470 | 1000-1500 | 1000-3300 | 5.5 |
| 30-47 | 82-100 | 560-1000 | 2000-3300 | 1700-5000 | 6.5 | |
| 56-68 | 120-180 | 1500, 1800 | 3900-5000 | 5600-6800 | 7.5 | |
| 82-100 | 200-270 | 2000, 2200 | 5600, 6800 | 10000 | 8.5 | |
| - | 300-330 | 2700, 3300 | 8200 | - | 9.5 | |
| - | 340-390 | 3900, 4700 | 10000 | - | 10.5 | |
| - | - | 5600, 6800 | 15000 | 20000, 22000 | 12.5 | |
| - | - | 8200, 10000 | 20000, 22000 | 47000 | 14.5 | |
| - | - | - | - | 100000 | 20.5 | |
| 1KV | 1-22 | 1-68 | 100-500 | 1000 | 1000-3300 | 5.5 |
| - | - | 560-1000 | 1500-2200 | 4700-5000 | 6.5 | |
| 25-39 | 75-110 | 1200-1500 | 2700 | 5600 | 7.5 | |
| - | - | 1800-2000 | 3000-3900 | 6800 | 8.5 | |
| 47, 50 | 120-200 | 2200 | 4700-5600 | - | 9.5 | |
| 51-100 | 220-300 | 2700, 3000 | 6800-8200 | 10000 | 10.5 | |
| 100-120 | 330-390 | 3300, 4700 | 10000 | - | 12.5 | |
| 150 | 470-560 | 5600, 6800 | 15000 | 22000 | 14.5 | |
| 220 | 620-750 | 8200, 10000 | - | - | 18.5 | |
| 330 | 820-1000 | - | - | 47000 | 20.5 | |
| 2KV | 1-22 | 1-47 | 100-150 | 1000, 1200 | 1000, 1200 | 7.5 |
| - | 68-100 | 180-470 | - | 1500, 1800 | 8.5 | |
| - | - | 500-680 | 1500, 1800 | 2000-2700 | 9.5 | |
| - | - | 820, 1000 | 2000-2700 | 3000-3900 | 10.5 | |
| - | - | 1200-2200 | 3000-3900 | 4700-5600 | 11.5 | |
| - | - | 2700, 3000 | 4700-5000 | 6800-10000 | 13.5 | |
| - | - | 2700, 3000 | 5600 | - | 15.5 | |
| - | - | 3300 | 6800 | - | 16.5 | |
| - | - | 3900-5000 | 8200, 10000 | 15000 | 17.5 | |
| - | - | 5600, 6800 | - | - | 20.5 | |
| - | - | 8200, 10000 | - | 22000 | 23.5 | |
Lead Pitch V.S. Body Size
“ê” Standard pitch for w.v. 2kv & above “O” Available for customers’ requirement |
![]() |
|||||||||||||||||||||||||||||||||||||||||||||||||||||
Marking Principle
Line 1: Temperature characteristic
| Item | NPO |
N220 |
N750 |
SL |
Y5P |
Y5U (Z5U) |
Y5V (Z5V) |
| Code | CH |
RH |
UJ |
S |
B |
E |
F |
| Mark | Black dot |
Yellow dot |
Violet dot |
None |
B |
E |
F |
Line 2: Capacitance
Mark a bar (---) for 50V-100V otherwise mark the exact volt |
![]() |
EX:

Low D.F. Type
Range Chart
T.C. |
D.F | Capacitance | Pitch | Dia. (mm) |
| Y5P (2KV) |
0.5% (max) |
100-390pF | 5, 7.5 | 7 |
| 470-680pF | 5, 7.5 | 9 | ||
| 820-1000pF | 5, 7.5 | 11 | ||
| 1200pF | 7.5, 10 | 12 | ||
| 2700pF | 7.5, 10 | 15 |
Electrical Specification
|
Specification | Test Condition |
| Capacitance | To be within the spec tolerance | To be measured at 25°C±1°C at 1±0.2Vrms 1KHz |
| Dissipation factor | D.F ≤0.5% | |
| Insulation resistance | I.R. ≥10GΩ | To be measured at 500VDC |
| Dielectric strength | With standing 200% W.V. | 200% working voltage applied |
| Temperature characteristic and D.F. curves | ![]() |
Marking Principle
|
Package Quantity
|
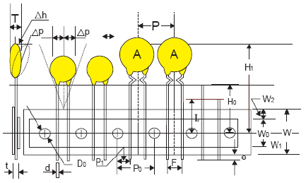
Packing Specification

| Item | Unit: mm | Unit: inch | |
| Body Dimension | A |
11.0*11.0 Max | 0.43*0.43 Ref |
| Body Thickness | T |
4.0 Max | 0.157 Ref |
| Wire Lead Dia. | d |
0.60±0.05 | #24 AWG |
| Taping Pitch | P |
12.7 Ref | 0.05 Ref |
| Feed Hole Pitch (Note: 1) | P0 |
12.7±0.3 | 0.5 Ref |
| Plane Deviation | DP |
+1.0 Max | 0.0394 Ref |
| Feed Hole Off Alignment (2e) | P1 |
3.81±0.7 | 0.15 Ref (F=5.08) |
| Feed Hole Off Alignment (1e) | P2 |
5.08±0.7 | 0.20 Ref (F=2.54) |
| Lead Spacing | F |
5.08±0.5 | 0.2 Ref |
F |
2.54±0.5 | 0.10 Ref | |
| Body Inclination | Dh |
0±1.0 | 0±0.39 Ref |
| Carrier Tape Width | W |
18.0±1.0/-0 | 0.709 Ref |
| Adhesive Tape Width | W0 |
13.0 Ref | 0.512 Ref |
| Feed Hole Ht Off Alignment | W1 |
9.0 +0.75/-0.5 | 0.354 Ref |
| Adhesive Tape Width | W2 |
3.0 Ref | 0.118 Ref |
| Straight Lead Height (Note: 2) | H |
20.0±0.5 | 0.787 Ref |
| Lead Crimp Height | H0 |
16.0 or 18.0±0.5 | 0.63 Ref |
| Top of Component Height | H1 |
32.0 Max | 1.20 Ref |
| Lead End Protrusion | e |
1.0 Max | 0.039 Ref |
| Feed Hole Diameter | D0 |
4.0±0.3 | 0.157 Ref |
| Overall Tape Thickness | t |
0.9 Max | 0.035 Ref |
| Rejected Component Cut Height | L |
10.0 Max | 0.394 Ref |
Note:
Part Number System

Lead Style
|
![]() |