iv. SKC. Spark Quenchers Capacitor
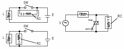
SKC are polyester film vacuum deposited aluminum. Interference suppression of contacts, transient suppression,
contact protection, overvoltage stress withstanding. Tinned coppor wire coating. Solvent resistant plastic case with epoxy resin sealing. Flame retardant execution.

Drawing:
Outline Drawing |
Construction |
Appearance |
![]() |
![]() |
![]() |
Features:
Specification:

Performance:
| Test Characteristics | GB/T 14472 (IEC 60384-14) | Performance |
| Withstand voltage: Between terminals | For 1500VDC 2 sec. | Shall be no abnormality |
| Withstand voltage: Between terminals & enclosure | For 2.0UR+1500VAC 2 sec | Shall be no abnormality |
| Insulation resistance: Between terminals | Apply rated voltage ±15% for 60 sec. When rated voltage under 100V. Apply 100V ±15% when rated voltage from 100V to 500V at 20 . | ≧5000MΩ FOR C≦0.33UF; ≧2000Ω FOR C>0.33UF |
| Insulation resistance: Between terminals & enclosure | ||
| Heat proof: Insulation resistance at 85℃ | Testing temperature: 85±2℃ | ≧5000MΩFOR C≦0.33UF; ≧2000ΩFOR C>0.33UF |
| Heat proof: Rate of variation of capacitance at 85℃ | Within +5% -2% of the value before test | |
| Impulse voltage | According to fig.1, before endurance | No permanent breakdown or flashover |
| Vibration | 3 directions at 2 hours each 10-500Hz at 0.75mm or 98m/s2 |
No visible damage; No open or; Short circuit |
| Bump | 4000 bumps at 390m/s2 | No visible damage ; No open or Short circuit |
| Change or temperature | Upper and lower rated temperature 5 cycles | No visible damage |
| Solderability | Solder globule method | Wetting time for d≦0.8<1s; d>0.8<1.5s |
| Passive flammability | Flame exposure time depending on severity | 3, 10 or 30s burning time depending on flammability class |
| Active flammability | Surge pulses +URVAC | No flame |
| Humidity | +40℃ and 9-95% R.H. | 21 days |
Dimensions:
125VAC (250VDC) |
||||||||
| Part Number | Cap (μF) |
Resistance |
W mm |
H mm |
T mm |
P mm |
dФ |
Resistor |
| SKC104□2EA8A5□□□□ | 0.10 |
47 |
18.0 |
13.5 |
7.5 |
15.0 |
0.8 |
1W |
| SKC104□2EA8A5□□□A | 0.10 |
100 |
18.0 |
13.5 |
7.5 |
15.0 |
0.8 |
1W |
| SKC104□2EA8A5□□□B | 0.10 |
150 |
18.0 |
13.5 |
7.5 |
15.0 |
0.8 |
1W |
| SKC154□2EB6B2□□□□ | 0.15 |
47 |
26.5 |
16.5 |
7.0 |
22.5 |
0.8 |
1W |
| SKC154□2EB6B2□□□A | 0.15 |
100 |
26.5 |
16.5 |
7.0 |
22.5 |
0.8 |
1W |
| SKC154□2EB6B2□□□B | 0.15 |
150 |
26.5 |
16.5 |
7.0 |
22.5 |
0.8 |
1W |
| SKC224□2EB6B2□□□□ | 0.22 |
47 |
26.5 |
17.0 |
8.5 |
22.5 |
0.8 |
1W |
| SKC224□2EB6B2□□□A | 0.22 |
100 |
26.5 |
17.0 |
8.5 |
22.5 |
0.8 |
1W |
| SKC224□2EB6B2□□□B | 0.22 |
150 |
26.5 |
17.0 |
8.5 |
22.5 |
0.8 |
1W |
| SKC224□2EB6B2□□□C | 0.22 |
220 |
26.5 |
17.0 |
8.5 |
22.5 |
0.8 |
1W |
| SKC224□2EB6B2□□□D | 0.22 |
330 |
26.5 |
17.0 |
8.5 |
22.5 |
0.8 |
1W |
| SKC334□2EB6B2□□□□ | 0.33 |
100 |
26.5 |
19.0 |
10.0 |
22.5 |
0.8 |
1W |
| SKC334□2EB6B2□□□A | 0.33 |
220 |
26.5 |
19.0 |
10.0 |
22.5 |
0.8 |
1W |
| SKC474□2EC2B7□□□□ | 0.47 |
22 |
32.0 |
20.0 |
11.0 |
27.5 |
0.8 |
1W |
| SKC474□2EC2B7□□□A | 0.47 |
33 |
32.0 |
20.0 |
11.0 |
27.5 |
0.8 |
1W |
| SKC474□2EC2B7□□□B | 0.47 |
47 |
32.0 |
20.0 |
11.0 |
27.5 |
0.8 |
1W |
| SKC474□2EC2B7□□□C | 0.47 |
68 |
32.0 |
20.0 |
11.0 |
27.5 |
0.8 |
1W |
| SKC474□2EC2B7□□□D | 0.47 |
100 |
32.0 |
20.0 |
11.0 |
27.5 |
0.8 |
1W |
| SKC474□2EC2B7□□□E | 0.47 |
150 |
32.0 |
20.0 |
11.0 |
27.5 |
0.8 |
1W |
| SKC474□2EC2B7□□□F | 0.47 |
220 |
32.0 |
20.0 |
11.0 |
27.5 |
0.8 |
1W |
| SKC684□2EC2B7□□□□ | 0.68 |
33 |
32.0 |
22.0 |
13.0 |
27.5 |
0.8 |
1W |
| SKC684□2EC2B7□□□A | 0.68 |
68 |
32.0 |
22.0 |
13.0 |
27.5 |
0.8 |
1W |
| SKC684□2EC2B7□□□B | 0.68 |
120 |
32.0 |
22.0 |
13.0 |
27.5 |
0.8 |
1W |
| SKC105□2EC2B7□□□□ | 1.0 |
47 |
32.0 |
30.0 |
15.0 |
27.5 |
0.8 |
1W |
| SKC105□2EC2B7□□□A | 1.0 |
120 |
32.0 |
30.0 |
15.0 |
27.5 |
0.8 |
1W |
| SKC105□2EC2B7□□□B | 1.0 |
220 |
32.0 |
30.0 |
15.0 |
27.5 |
0.8 |
1W |
250VAC (630VDC) |
||||||||
| Part Number | Cap (μF) |
Resistance |
W mm |
H mm |
T mm |
P mm |
dФ |
Resistor |
| SKC104□2JB6B2□□□□ | 0.10 |
33 |
26.5 |
15.0 |
6.0 |
22.5 |
0.8 |
1W |
| SKC104□2JB6B2□□□A | 0.10 |
47 |
26.5 |
15.0 |
6.0 |
22.5 |
0.8 |
1W |
| SKC104□2JB6B2□□□B | 0.10 |
82 |
26.5 |
15.0 |
6.0 |
22.5 |
0.8 |
1W |
| SKC104□2JB6B2□□□C | 0.10 |
100 |
26.5 |
15.0 |
6.0 |
22.5 |
0.8 |
1W |
| SKC104□2JB6B2□□□D | 0.10 |
120 |
26.5 |
15.0 |
6.0 |
22.5 |
0.8 |
1W |
| SKC104□2JB6B2□□□E | 0.10 |
150 |
26.5 |
15.0 |
6.0 |
22.5 |
0.8 |
1W |
| SKC104□2JB6B2□□□F | 0.10 |
220 |
26.5 |
15.0 |
6.0 |
22.5 |
0.8 |
1W |
| SKC104□2JB6B2□□□G | 0.10 |
330 |
26.5 |
15.0 |
6.0 |
22.5 |
0.8 |
1W |
| SKC224□2JC2B7□□□□ | 0.22 |
33 |
32.0 |
20.0 |
11.0 |
27.5 |
0.8 |
1W |
| SKC224□2JC2B7□□□A | 0.22 |
47 |
32.0 |
20.0 |
11.0 |
27.5 |
0.8 |
1W |
| SKC224□2JC2B7□□□B | 0.22 |
82 |
32.0 |
20.0 |
11.0 |
27.5 |
0.8 |
1W |
| SKC224□2JC2B7□□□C | 0.22 |
100 |
32.0 |
20.0 |
11.0 |
27.5 |
0.8 |
1W |
| SKC224□2JC2B7□□□D | 0.22 |
120 |
32.0 |
20.0 |
11.0 |
27.5 |
0.8 |
1W |
| SKC224□2JC2B7□□□E | 0.22 |
150 |
32.0 |
20.0 |
11.0 |
27.5 |
0.8 |
1W |
| SKC224□2JC2B7□□□F | 0.22 |
220 |
32.0 |
20.0 |
11.0 |
27.5 |
0.8 |
1W |
| SKC224□2JC2B7□□□G | 0.22 |
330 |
32.0 |
20.0 |
11.0 |
27.5 |
0.8 |
1W |
| SKC334□2JC2B7□□□□ | 0.33 |
47 |
32.0 |
20.0 |
13.0 |
27.5 |
0.8 |
1W |
| SKC334□2JC2B7□□□A | 0.33 |
120 |
32.0 |
20.0 |
13.0 |
27.5 |
0.8 |
1W |
| SKC334□2JC2B7□□□B | 0.33 |
220 |
32.0 |
20.0 |
13.0 |
27.5 |
0.8 |
1W |
| SKC474□2JC2B7□□□□ | 0.47 |
47 |
32.0 |
30.0 |
15.0 |
27.5 |
0.8 |
1W |
| SKC474□2JC2B7□□□A | 0.47 |
82 |
32.0 |
30.0 |
15.0 |
27.5 |
0.8 |
1W |
| SKC474□2JC2B7□□□B | 0.47 |
100 |
32.0 |
30.0 |
15.0 |
27.5 |
0.8 |
1W |
| SKC474□2JC2B7□□□C | 0.47 |
120 |
32.0 |
30.0 |
15.0 |
27.5 |
0.8 |
1W |
| SKC474□2JC2B7□□□D | 0.47 |
150 |
32.0 |
30.0 |
15.0 |
27.5 |
0.8 |
1W |
| SKC474□2JC2B7□□□E | 0.47 |
220 |
32.0 |
30.0 |
15.0 |
27.5 |
0.8 |
1W |
| SKC474□2JC2B7□□□F | 0.47 |
330 |
32.0 |
30.0 |
15.0 |
27.5 |
0.8 |
1W |