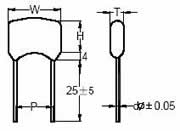
A. The CAS miniature monolithic Mica capacitors
It’s applied for communication sets and aviation meters. It can works normally under 10µV, and environmental temperature: -55°C~+125°C.
Drawing:
Outline Drawing |
Construction |
Appearance |
![]() |
![]() |
![]() |
Dimensions:
| Part number | Capacitance range (pF)
|
Work Voltage (V)
|
Dimensions (mm)
|
||||
W
|
H
|
T
|
P
|
Фd
|
|||
| CAS℃℃℃℃J2A-5-2℃R | 1~9 |
100 |
5.5 |
4.8 |
3 |
2.5 |
0.3 |
| CAS℃℃℃℃J2A-6-3℃R | 10~300 |
100 |
6.5 |
5.5 |
4 |
3.5 |
0.4 |
| CAS℃℃℃℃F2A-8-4℃R | 330~1000 |
100 |
8.5 |
7.0 |
5 |
4.5 |
0.4 |
| CAS℃℃℃℃F2AA0-5℃R | 1100~2400 |
100 |
10.0 |
8.5 |
6 |
5.0 |
0.6 |
| CAS℃℃℃℃F2EA0-5℃R | 10~750 |
250 |
10.0 |
8.5 |
6 |
5.0 |
0.6 |
| CAS℃℃℃℃F2HA0-5℃R | 10~240 |
500 |
10.0 |
8.5 |
6 |
5.0 |
0.6 |
| CAS℃℃℃℃F2AA2-6℃R | 2700~5100 |
100 |
12.5 |
10.0 |
7 |
6.5 |
0.6 |
| CAS℃℃℃℃F2EA2-6℃R | 820~2400 |
250 |
12.5 |
10.0 |
7 |
6.5 |
0.6 |
| CAS℃℃℃℃F2HA2-6℃R | 270~750 |
500 |
12.5 |
10.0 |
7 |
6.5 |
0.6 |
| CAS℃℃℃℃F2AA5-8℃R | 5600~10000 |
100 |
15.0 |
12.0 |
8 |
8.5 |
0.8 |
| CAS℃℃℃℃F2EA5-8℃R | 2700~5100 |
250 |
15.0 |
12.0 |
8 |
8.5 |
0.8 |
| CAS℃℃℃℃F2HA5-8℃R | 820~2400 |
500 |
15.0 |
12.0 |
8 |
8.5 |
0.8 |
| CAS℃℃℃℃F2AA7A0℃R | 11000~18000 |
100 |
17.5 |
15.5 |
9 |
10.0 |
0.8 |
| CAS℃℃℃℃F2EA7A0℃R | 5600~10000 |
250 |
17.5 |
15.5 |
9 |
10.0 |
0.8 |
| CAS℃℃℃℃F2HA7A0℃R | 2700~5100 |
500 |
17.5 |
15.5 |
9 |
10.0 |
0.8 |
| CAS℃℃℃℃F2AB2A7℃R | 20000~30000 |
100 |
22 |
19.0 |
9 |
17.0 |
1.0 |
| CAS℃℃℃℃F2EB2A7℃R | 11000~18000 |
250 |
22 |
19.0 |
9 |
17.0 |
1.0 |
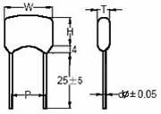
B. The CAF copper foil as an stretch out electrode
This products have the features of small volume, light weight and convenient installment . Can be used in A.C, D.C and high frequency resonation circuits of various electronic equipments. environmental temperature: -55°C ~ +85°C.
Drawing:
Outline Drawing |
Construction |
Appearance |
![]() |
![]() |
![]() |
Dimensions:
| Part number | Capacitance range (pF)
|
Work Voltage (V)
|
Dimensions (mm)
|
||||
W
|
H
|
T
|
P
|
Фd
|
|||
| CAF℃℃℃℃F2A-9-6℃R | 10~1000 |
100 |
9 |
8.3 |
5 |
6 |
0.6 |
| CAF℃℃℃℃F2AA2-9℃R | 1100~2400 |
100 |
12 |
8.5 |
6 |
9 |
0.6 |
| CAF℃℃℃℃F2AA7A1℃R | 270~10000 |
100 |
17 |
12.5 |
7 |
11 |
0.8 |
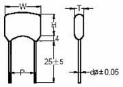
C. CAH copper foil as an stretch out electrode ultra high temperature design
It’s specially used in the field of high temperature of oil exploring, working temperature: -55°C~ +200°C. The
product’s appearance dimension, work voltage and capacitance range is same with CAS mica capacitor.
Drawing:
Outline Drawing |
Construction |
Appearance |
![]() |
![]() |
![]() |
Dimensions:
| Part number | Capacitance range (pF)
|
Work Voltage (V) |
Dimensions (mm) |
||||
W |
H |
T |
P |
Фd |
|||
| CAH℃℃℃℃J2A-5-2℃R | 1~9 |
100 |
5.5 |
4.8 |
3 |
2.5 |
0.3 |
| CAH℃℃℃℃J2A-6-3℃R | 10~300 |
100 |
6.5 |
5.5 |
4 |
3.5 |
0.4 |
| CAH℃℃℃℃F2A-8-4℃R | 330~1000 |
100 |
8.5 |
7.0 |
5 |
4.5 |
0.4 |
| CAH℃℃℃℃F2AA0-5℃R | 1100~2400 |
100 |
10.0 |
8.5 |
6 |
5.0 |
0.6 |
| CAH℃℃℃℃F2EA0-5℃R | 10~750 |
250 |
10.0 |
8.5 |
6 |
5.0 |
0.6 |
| CAH℃℃℃℃F2HA0-5℃R | 10~240 |
500 |
10.0 |
8.5 |
6 |
5.0 |
0.6 |
| CAH℃℃℃℃F2AA2-6℃R | 2700~5100 |
100 |
12.5 |
10.0 |
7 |
6.5 |
0.6 |
| CAH℃℃℃℃F2EA2-6℃R | 820~2400 |
250 |
12.5 |
10.0 |
7 |
6.5 |
0.6 |
| CAH℃℃℃℃F2HA2-6℃R | 270~750 |
500 |
12.5 |
10.0 |
7 |
6.5 |
0.6 |
| CAH℃℃℃℃F2AA5-8℃R | 5600~10000 |
100 |
15.0 |
12.0 |
8 |
8.5 |
0.8 |
| CAH℃℃℃℃F2EA5-8℃R | 2700~5100 |
250 |
15.0 |
12.0 |
8 |
8.5 |
0.8 |
| CAH℃℃℃℃F2HA5-8℃R | 820~2400 |
500 |
15.0 |
12.0 |
8 |
8.5 |
0.8 |
| CAH℃℃℃℃F2AA7A0℃R | 11000~18000 |
100 |
17.5 |
15.5 |
9 |
10 |
0.8 |
| CAH℃℃℃℃F2EA7A0℃R | 5600~10000 |
250 |
17.5 |
15.5 |
9 |
10 |
0.8 |
| CAH℃℃℃℃F2HA7A0℃R | 2700~5100 |
500 |
17.5 |
15.5 |
9 |
10 |
0.8 |
| CAH℃℃℃℃F2AB2A7℃R | 20000~30000 |
100 |
22.0 |
19.0 |
9 |
17 |
1.0 |
| CAS℃℃℃℃F2EB2A7℃R | 11000~18000 |
250 |
22.0 |
19.0 |
9 |
17 |
1.0 |
D. The CAC Mica chip capacitors
This products are widely applied for miniaturized electric circuits and can be stamped on PCB board, have high frequency stability, can normally work at the frequency of 300MHz. Environmental temperature: -40°C~ +125°C.
Drawing:
Outline Drawing |
Construction |
Appearance |
![]() |
![]() |
![]() |
Dimensions:
| Part number | Case size |
Capacitance range (pF)
|
Work Voltage (V)
|
Dimensions (mm)
|
||||
W±0.2
|
H±0.2
|
T±0.3
|
S±0.3
|
W2±0.3
|
||||
| CAF℃℃℃℃J2A-4-300 | B |
10~100 |
100 |
3.5 |
1.9 |
2.8 |
0.8 |
2.2 |
| CAF℃℃℃℃F2A-5-400 | B |
10~1000 |
100 |
3.5 |
1.9 |
2.8 |
0.8 |
2.2 |
| CAF℃℃℃℃F2E-5-400 | C |
10~470 |
250 |
6.0 |
2.5 |
3.2 |
1.3 |
2.2 |
| CAF℃℃℃℃J2H-5-400 | C |
10~220 |
500 |
6.0 |
2.0 |
3.2 |
1.3 |
2.2 |
| CAF℃℃℃℃F2A-6-500 | D |
1000~2400 |
100 |
7.3 |
2.8 |
4.3 |
1.3 |
2.4 |
| CAF℃℃℃℃F2E-6-500 | D |
510~2000 |
250 |
7.3 |
2.8 |
4.3 |
1.3 |
2.4 |
| CAF℃℃℃℃F2H-6-500 | C |
220~1200 |
500 |
7.3 |
2.8 |
4.3 |
1.3 |
2.4 |
* The code will directly show the value, if the capacitance up to 1000PF.